Značka
Akrapovič
Alternative part
Arctic Cat
ARROW
Benelli
BMW
BPR- Can-Am
CF MOTO
DAYCO
DUCABIKE
DUCATI
EVR
GIVI
Harley Davidson/Buell
HIFLO FILTRO
Honda
HP Corse
HyperPro
Kawasaki
KBIKE
KN Filters
KTM / Gas Gas / Husqvarna
KYMCO
Leo Vince
MIVV
MV Agusta
Neoriginální díly
Öhlins
Peugeot
Piaggio / Aprilia / Derbi / Gilera / Moto Guzzi / Vespa
Polaris / Indian
Použité díly
Puig
QD Exhaust System
RaG
RAPID BIKE
Rizoma
Storm Exhaust
Suzuki
SYM
Termignoni
Triumph
Yamaha
Yoshimura
Z
Hledat
Přihlásit se
Registrovat se
Přihlásit se
Registrovat se
0
0,00 Kč
Měna
Kč
Kč
Eur
Značka
Akrapovič
Alternative part
Arctic Cat
ARROW
Benelli
BMW
BPR- Can-Am
CF MOTO
DAYCO
DUCABIKE
DUCATI
EVR
GIVI
Harley Davidson/Buell
HIFLO FILTRO
Honda
HP Corse
HyperPro
Kawasaki
KBIKE
KN Filters
KTM / Gas Gas / Husqvarna
KYMCO
Leo Vince
MIVV
MV Agusta
Neoriginální díly
Öhlins
Peugeot
Piaggio / Aprilia / Derbi / Gilera / Moto Guzzi / Vespa
Polaris / Indian
Použité díly
Puig
QD Exhaust System
RaG
RAPID BIKE
Rizoma
Storm Exhaust
Suzuki
SYM
Termignoni
Triumph
Yamaha
Yoshimura
Z
Hledat
Děkujeme za přízeň a přejeme vám krásné Vánoce a šťastný nový rok 2026
Originální náhradní díly, doplňky a příslušenství pro motocykly.
3 800 000
dílů v katalogu
Nové náhradní díly
Nové
Použité náhradní díly
Použité
Doplňky
Druh vozidla
MOTOCYKL
SKŮTR
ČTYŘKOLKA (ATV)
VODNÍ SKŮTR
UŽITKOVÝ STROJ (UTV)
SNĚŽNÝ SKŮTR
CENTRÁLA
LODNÍ MOTOR
Značka
Typ
Rok výroby
Model
Hledat
Kategorie doplňků
Aprilia
Ducati
Kawasaki
KTM
MV Agusta
Suzuki
Triumph
BMW
Moto Guzzi
Moto Morini
Yamaha
Italjet
Honda
Katalog
>
MOTOCYKL
>
MV Agusta
>
Brutale 4 cylinder
>
2001-2023
>
Brutale 910 R (2005-2008)
Brutale 910 R (2005-2008)
Airbox Assembly
Battery - Startrelay
Canister Usa My0506
Canister Usa My07
Clutch Assembly
Cooling System
Crankcase Assembly
Crankshaft Assembly
Cylinder Piston Assembly
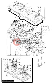
Cylinder Head Assembly
Dashboard - Indicators
Ecu - Spu My0506
Ecu My07
Electric System 1 My0506
Electric System 2
Engine Electric System
Exhaust System
Fender - Covers
Footrest Assembly Left
Footrest Assembly Right
Foreign Countries Versions
Frame Assembly
Front Fork Left
Front Fork Right
Front Suspension Assembly
Front Wheel Assembly 910s
Front Wheel Assembly910r
Fuel Intake System
Fuel Pump Assembly
Fueltank Assembly
Gear Box Assembly
Gear Selector Assy
Handlebar Assembly Left
Handlebar Assembly Right
Headlight
Locks
Lubrication System
Mirrors - Covers
Outfit
Rear Fairing Assembly
Rear Frame Assembly
Rear Suspension Assembly
Rear Wheel Assembly
Service Tools Engine 1
Service Tools Engine 2
Service Tools Frame 1
Service Tools Frame 2
Spu My07
Starting System
Swingarm Assembly
Taillight - Indicators
Timing System
Water Pump