Značka
Akrapovič
Alternative part
Arctic Cat
ARROW
Benelli
BMW
BPR- Can-Am
CF MOTO
DAYCO
DUCABIKE
DUCATI
EVR
GIVI
Harley Davidson/Buell
HIFLO FILTRO
Honda
HP Corse
HyperPro
Kawasaki
KBIKE
KN Filters
KTM / Gas Gas / Husqvarna
KYMCO
Leo Vince
MIVV
MV Agusta
Neoriginální díly
Öhlins
Peugeot
Piaggio / Aprilia / Derbi / Gilera / Moto Guzzi / Vespa
Polaris / Indian
Použité díly
Puig
QD Exhaust System
RaG
RAPID BIKE
Rizoma
Storm Exhaust
Suzuki
SYM
Termignoni
Triumph
Yamaha
Yoshimura
Z
Hledat
Přihlásit se
Registrovat se
Přihlásit se
Registrovat se
0
0,00 Kč
Měna
Kč
Kč
Eur
Značka
Akrapovič
Alternative part
Arctic Cat
ARROW
Benelli
BMW
BPR- Can-Am
CF MOTO
DAYCO
DUCABIKE
DUCATI
EVR
GIVI
Harley Davidson/Buell
HIFLO FILTRO
Honda
HP Corse
HyperPro
Kawasaki
KBIKE
KN Filters
KTM / Gas Gas / Husqvarna
KYMCO
Leo Vince
MIVV
MV Agusta
Neoriginální díly
Öhlins
Peugeot
Piaggio / Aprilia / Derbi / Gilera / Moto Guzzi / Vespa
Polaris / Indian
Použité díly
Puig
QD Exhaust System
RaG
RAPID BIKE
Rizoma
Storm Exhaust
Suzuki
SYM
Termignoni
Triumph
Yamaha
Yoshimura
Z
Hledat
Děkujeme za přízeň a přejeme vám krásné Vánoce a šťastný nový rok 2026
Originální náhradní díly, doplňky a příslušenství pro motocykly.
3 800 000
dílů v katalogu
Nové náhradní díly
Nové
Použité náhradní díly
Použité
Doplňky
Druh vozidla
MOTOCYKL
SKŮTR
ČTYŘKOLKA (ATV)
VODNÍ SKŮTR
UŽITKOVÝ STROJ (UTV)
SNĚŽNÝ SKŮTR
CENTRÁLA
LODNÍ MOTOR
Značka
Typ
Rok výroby
Model
Hledat
Kategorie doplňků
Aprilia
Ducati
Kawasaki
KTM
MV Agusta
Suzuki
Triumph
BMW
Moto Guzzi
Moto Morini
Yamaha
Italjet
Honda
Katalog
>
MOTOCYKL
>
DUCATI
>
Superbike
>
2006
>
749 (2006)
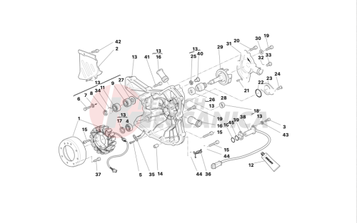
749 (2006)
AIR INDUCTION-OIL VENT
BATTERY SUPPORT
CLUTCH
CLUTCH CONTROL
CLUTCH COVER
CLUTCH COVER 2
CONNECTING RODS
COOLING SYSTEM
CRANKCASE HALVES
CRANKCASE HALVES 2
CYLINDER HEAD
CYLINDER HEAD COVERS
CYLINDERS - PISTONS
DDS TESTER
ELECTRIC STARTING AND IGNITION
EXHAUST SYSTEM
FAIRING
FILTERS AND OIL PUMP
FRAME
FRONT AND REAR WHEELS
FRONT FORKS - 749
FRONT FORKS - 749DARK
FRONT HYDRAULIC BRAKE
FRONT WIRING
FUEL INJECTION SYSTEM
FUEL SYSTEM
FUEL TANK
GEARBOX
GEARCHANGE CONTROL
HANDLEBARS - SHOCK-ABSORBER
HEADLIGHT & INSTR. PANEL
HEADLIGHT FAIRING
MANIFOLDS AND CYLINDER HEAD COVERS
NUMBER PLATE HOLDER
OIL COOLER
RADIATOR
REAR HYDRAULIC BRAKE
REAR SUBFRAME - REAR FOOTRESTS
REAR SUSPENSION
SEAT
STAND
SWINGARM
THROTTLE BODY
TIMING SYSTEM
WATER PUMP-ALTR-SIDE CRNKCSE COVER
WORKSHOP SERVICE TOOLS 1
WORKSHOP SERVICE TOOLS 2
WORKSHOP SERVICE TOOLS 3
WORKSHOP SERVICE TOOLS 4